電阻電橋基礎:第一部分,主要論述了為什么要使用電阻電橋,電橋的基本配置,以及一些具有小信號輸出的電橋,例如粘貼絲式或金屬箔應變計。本篇應用筆記則側重于高輸出的硅應變計。
本篇應用筆記作為第二部分,重點介紹高輸出的硅應變計,以及它與高分辨率Σ-Δ模數轉換器良好的適配性。舉例說明了如何為給定的非補償傳感器計算所需ADC的分辨率和動態范圍。本文演示了在構建一個簡單的比例電路時,如何確定ADC和硅應變計的特性,并給出了一個采用電流驅動傳感器的簡化應用電路。
硅應變計的背景知識
硅應變計的優點在于高靈敏度。硅材料中的應力引起體電阻的變化。相比那些僅靠電阻的尺寸變化引起電阻變化的金屬箔或粘貼絲式應變計,其輸出通常要大一個數量級。這種硅應變計的輸出信號大,可以與較廉價的電子器件配套使用。但是,這些小而脆的器件的安裝和連線非常困難,并增加了成本,因而限制了它們在粘貼式應變計應用中的使用。然而,硅應變計卻是MEMS(微機電結構)應用的最佳選擇。利用MEMS,可將機械結構建立在硅片上,多個應變計可以作為機械構造的一部分一起制造。因此,MEMS工藝為整個設計問題提供了一個強大的、低成本的解決方案,而不需要單獨處理每個應變計。
MEMS器件最常見的一個實例是硅壓力傳感器,它是從上個世紀七十年代開始流行的。這些壓力傳感器采用標準的半導體工藝和特殊的蝕刻技術制作而成。采用這種特殊的蝕刻技術,從晶圓片的背面選擇性地除去一部分硅,從而生成由堅固的硅邊框包圍的、數以百計的方形薄片。而在晶片的正面,每一個小薄片的每個邊上都制作了一個壓敏電阻。用金屬線把每個小薄片周邊的四個電阻連接起來就形成一個全橋工作的惠斯登電橋。然后使用鉆鋸從晶片上鋸下各個傳感器。這時,傳感器功能就完全具備了,但還需要配備壓力端口和連接引線方可使用。這些小傳感器便宜而且相對可靠。但也存在缺點。這些傳感器受溫度變化影響較大,而且初始偏移和靈敏度的偏差很大。
壓力傳感器實例
在此用一個壓力傳感器來舉例說明。但所涉及的原理適用于任何使用相似類型的電橋作為傳感器的系統。式1給出了一個原始的壓力傳感器的輸出模型。式1中變量的幅值及其范圍使VOUT在給定壓力(P)下具有很寬的變化范圍。不同傳感器在同一溫度下,或者同一傳感器在不同溫度下,其VOUT都有所不同。要提供一個一致的、有意義的輸出,每個傳感器都必須進行校正,以補償器件之間的差異和溫度漂移。長期以來都是使用模擬電路進行校準的。然而,現代電子學使得數字校準比模擬校準更具成本效益,而且數字校準的準確性也更好。利用一些模擬“竅門”,可以在不犧牲精度的前提下簡化數字校準。
VOUT=VB×(P×S0×(1+S1×(T-T0))+U0+U1×(T-T0))(式1)
式中,VOUT為電橋輸出,VB是電橋的激勵電壓,P是所加的壓力,T0是參考溫度,S0是T0溫度下的靈敏度,S1是靈敏度的溫度系數(TCS),U0是在無壓力時電橋在溫度T0輸出的偏移量(或失衡),而U1則是偏移量的溫度系數(OTC)。
式1使用一次多項式來對傳感器進行建模。有些應用場合可能會用到高次多項式、分段線性技術、或者分段二次逼近模型,并為其中的系數建立一個查尋表。無論使用哪種模型,數字校準時都要對VOUT、VB和T進行數字化,同時要采用某種方式來確定全部系數,并進行必要的計算。式2由式1整理并解出P。從式2可以更清楚地看到,為了得到精確的壓力值,數字計算(通常由微控制器(µC)執行)所需的信息。
P=(VOUT/VB-U0-U1×(T-T0))/(S0×(1+S1×(T-T0))(式2)
電壓驅動
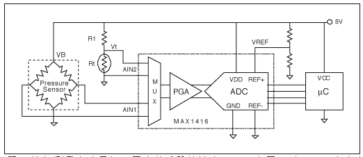
圖1電路中的電壓驅動方式使用一個高精度ADC來對VOUT(AIN1/AIN2)、溫度(AIN3/AIN4)和VB(AIN5/AIN6)進行數字化。這些測量值隨后被傳送到µC,在那里計算實際的壓力。電橋直接由電源驅動,這個電源同時也為ADC、電壓基準和µC供電。電路圖中標有Rt的電阻式溫度檢測器用來測量溫度。通過ADC內的輸入復用器同時測量電橋、RTD和電源電壓。為確定校準系數,整個系統(或至少是RTD和電橋)被放到溫箱里,向電橋施加校準過的壓力,并在多個不同溫度下進行測量。測量數據通過測試系統進行處理,以確定校準系數。最終的系數被下載到µC并存儲到非易失性存儲器中。


圖1.該電路直接測量計算實際壓力所需的變量(激勵電壓、溫度和電橋輸出)
設計該電路時主要應考慮的是動態范圍和ADC的分辨率。最低要求取決于具體應用和所選的傳感器和RTD的參數。為了舉例說明,使用下列參數:
系統規格
滿量程壓力:100psi
壓力分辨率:0.05psi
溫度范圍:-40°C到+85°C
電源電壓:4.75到5.25V
壓力傳感器規格
S0(靈敏度):150到300µV/V/psi
S1(靈敏度的溫度系數):最大-2500ppm/°C
U0(偏移):-3到+3mV/V
U1(偏移的溫度系數):-15到+15µV/V/°C
RB(輸入電阻):4.5k
TCR(電阻溫度系數):1200ppm/°C
RTD:PT100
α:3850ppm/°C(ΔR/°C=0.385,Ω額定值)
-40°C時的值:84.27Ω
0°C時值:100Ω
85°C時值:132.80Ω
關于PT100的更多細節,請參見Maxim的>應用筆記3450:"PT100溫度變送器的正溫度系數補償"。
電壓分辨率
能夠接受的最小電壓分辨率可根據能夠檢測到的最小壓力變化所對應的VOUT得到。極端情況為使用最低靈敏度的傳感器,在最高溫度和最低供電電壓下進行測量。注意,式1中的偏移項不影響分辨率,因為分辨率僅與壓力響應有關。
使用式1以及上述假設:
ΔVOUTmin=4.75V(0.05psi/count150µV/V/psi×(1+(-2500ppm/°C)×(85°C-25°C))≈30.3µV/count
所以:最低ADC分辨率=30µV/count
輸入范圍
輸入范圍取決于最大輸入電壓和最小或者最負的輸入電壓。根據式1,產生最大VOUT的條件是:最大壓力(100psi)、最低溫度(-40°C)、最大電源電壓(5.25V)和3mV/V的偏移、-15µV/V/°C的偏移溫度系數、-2500ppm/°C的TCS、以及最高靈敏度的芯片(300µV/V/psi)。最負信號一般都在無壓力(P=0)、電源電壓為5.25V、-3mV/V的偏移、-40°C的溫度以及OTC等于+15µV/V/°C的情況下出現。
再次使用公式1以及上述假設:
VOUTmax=5.25V×(100psi·300µV/V/psi×(1+(-2500ppm/°C)×(-40°C-25°C))+3mV/V+(-0.015mV/V/°C)×(-40°C-25°C))-204mV
VOUTmin=5.25×(-3mV/V+(0.015mV/V/°C×(-40°C-25°C)))--21mV
因此:ADC的輸入范圍=-21mV到+204mV
分辨位數
適用于本應用的ADC應具有-21mV到+204mV的輸入范圍和30µV/count的電壓分辨率。該ADC的編碼總數為(204mV+21mV)/(30µV/count)=7500counts,或稍低于13位的動態范圍。如果傳感器的輸出范圍與ADC的輸入范圍完全匹配,那么一個13位的轉換器就可以滿足需要。由于-21mV到+204mV的量程與通常的ADC輸入范圍都不匹配,因此需要或者對輸入信號進行電平移動和放大,或者選用更高分辨率的ADC。幸運的是,現代的Σ-Δ轉換器的分辨率高,具有雙極性輸入和內部放大器,使高分辨率ADC的使用變為現實。這些Σ-ΔADC提供了一個更為經濟的方案,而不需要增加其它元器件。這不僅減小了電路板尺寸,還避免了放大和電平移位電路所引入的漂移誤差。
工作于5V電源的典型Σ-Δ轉換器,采用2.5V參考電壓,具有±2.5V的輸入電壓范圍。為了滿足我們對于壓力傳感器分辨率的要求,這種ADC的動態范圍應當是:(2.5V-(-2.5V))/(30µV/count)=166,667counts。這相當于17.35位,很多ADC都能滿足該要求,例如18位的MAX1400。如果選用SARADC,則是相當昂貴的,因為這是將18位轉換器用于13位應用,且只產生11位的結果。然而,選用18位(17位加上符號位)的Σ-Δ轉換器更為現實,盡管三個最高位其實并沒有使用。除了廉價外,Σ-Δ轉換器還具有高輸入阻抗和很好的噪聲抑制特性。
18位ADC可以使用帶內部放大器的更低分辨率的轉換器來代替,例如16位的MAX1416。8倍的增益相當于將ADC轉換結果向高位移了3位。從而利用了全部的轉換位并將轉換需求減少到15位。是選用無增益的高分辨率轉換器,還是有增益的低分辨率轉換器,這要看在具體使用的增益和轉換速率下的噪聲規格。Σ-Δ轉換器的有效分辨率通常受到噪聲的限制。
溫度測量
如果測量溫度僅僅是為了對壓力傳感器進行補償,那么,溫度測量不要求十分準確,只要測量結果與溫度的對應關系具有足夠的可重復性即可。這樣將會有更大的靈活性和較松的設計要求。有三個基本的設計要求:避免自加熱、具有足夠的溫度分辨率、保證在ADC的測量范圍之內。
使最大Vt電壓接近于最大壓力信號有利于采用相同的ADC和內部增益來測量溫度和壓力。本例中的最大輸入電壓為+204mV??紤]到電阻的誤差,最高溫度信號電壓可保守地選擇為+180mV。將Rt上的電壓限制到+180mV也有利于避免Rt的自加熱問題。一旦最大電壓選定,根據在85°C(Rt=132.8Ω),VB=5.25V的條件下產生該最大電壓可以計算得到R1。R1的值可通過式3進行計算,式中的Vtmax是RT上所允許的最大壓降。溫度分辨率等于ADC的電壓分辨率除以Vt的溫度敏感度。式4給出了溫度分辨率的計算方法。(注意:本例采用的是計算出的最小電壓分辨率,是一種較為保守的設計。你也可以使用實際的ADC無噪聲分辨。)
R1=Rt×(VB/Vtmax-1)(式3)
R1=132.8Ω×(5.25V/0.18V-1)≈3.7kΩ
TRES=VRES×(R1+Rt)²/(VB×R1×ΔRt/°C)(式4)
這里,TRES是ADC所能分辨的攝氏溫度測量分辨率。
TRES=30µV/count×(3700Ω+132.8Ω)²/(4.75VΩ3700Ω×0.38Ω/°C)≈0.07°C/count
0.07°C的溫度分辨率足以滿足大多數應用的要求。但是,如果需要更高的分辨率,有以下幾個選擇:使用一個更高分辨率的ADC;將RTD換成熱敏電阻;或將RTD用于電橋,以便在ADC中能夠使用更高的增益。
注意,要得到有用的溫度結果,軟件必須對供電電壓的變化進行補償。另外一種代替方法是將R1連接到VREF,而不是VB。這樣可使Vt不依賴于VB,但也增加了參考電壓的負載。
優化的電壓驅動
硅應變計和ADC的一些特性允許圖1電路進一步簡化。從式1可以看出,電橋輸出與供電電壓(VB)直接成正比。具有這種特性的傳感器稱為比例傳感器。式5為適用于所有具有溫度相關誤差的比例傳感器的通用表達式。在式1中,將VB右邊的所有部分用通用表達式f(p,t)代替便是式5。這里,p是被測物理量的強度,而t則為溫度。
VOUT=VB׃(p,t)(式5)
ADC也具有比例屬性,它的輸出與輸入電壓和參考電壓的比直接成比例。式6描述了一般的ADC的數據讀取值(D)與輸入信號(Vs)、參考電壓(VREF)、滿量程讀數(FS)、以及比例因子(K)之間的關系。該比例因子與具體的轉換器架構以及內部放大倍數有關。
D=(Vs/VREF)FS×K(式6)
將式6中的Vs用式5中的VOUT表達式代換,ADC對于性能的影響就會顯現出來。結果見式7:
D=(VB/VREF)׃(p,t)×FS×K(式7)
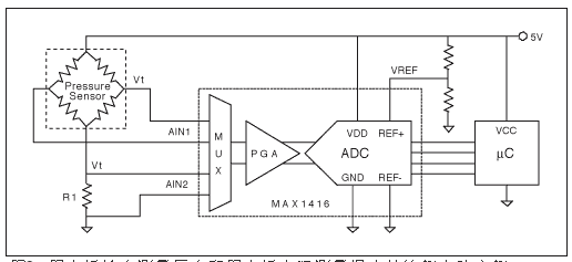
由式7可見,對于測量結果而言,更為重要的是VB和VREF的比值,而非它們的絕對值。因此,圖1電路中的電壓基準源可以不用。ADC的參考電壓可以取自一個簡單的電阻分壓器,只要保持恒定的VB/VREF之比即可。這一改進不僅省去了電壓基準,也免去了對VB的測量,以及補償VB變化所需的所有軟件。這種技術適用于所有比例傳感器。RT和R1串聯構成的溫度傳感器也是比例型的,因此,溫度檢測也不需要電壓基準。該電路如圖2所示。


圖2.比例測量電路示例。壓力傳感器的輸出、RTD電壓、以及ADC參考電壓均與供電電壓直接成正比。該電路無需絕對電壓基準,同時簡化了確定實際壓力時所必需的計算。
省去RTD
硅基電阻對溫度十分敏感,根據這種特性,可用電橋電阻作為系統的溫度傳感器。這不僅降低了成本,而且會有更好的效果。因為它不再受RTD和壓敏電橋之間溫度梯度的影響。正像前面所提到的,溫度測量的絕對精度并不重要,只要溫度測量是可重復的和唯一的。這種唯一性要求限定了這種溫度檢測方法只能用于施壓后橋路電阻保持恒定的電橋。幸運的是,大多數硅傳感器采用全工作橋,能夠滿足該要求。
圖3電路中,在電橋低壓側串聯一個電阻(R1),從而得到一個溫度相關電壓。增加這個電阻會減小電橋電壓,從而減小其輸出。減小的幅度一般不是很大,況且只需略微增加增益或減小參考電壓就足以對其加以補償。式8可用于計算R1的保守值。對于大多數應用,當R1小于RB/2時,電路能很好地工作。
R1=(RB×VRES)/(VDD×TCR×TRES-2.5×VRES)(式8)
這里,RB是傳感器電橋的輸入電阻,VRES是ADC的電壓分辨率,VDD是供電電壓,TCR為傳感器電橋的電阻溫度系數,而TRES是所期望的溫度分辨率。


圖3.用電橋輸出測量壓力和用電橋電阻測量溫度的比例電路實例
繼續上述實例并假定希望得到0.05°C的溫度分辨率,R1=(4.5kΩ×30µV/count)/(((5V×1200ppm/°C×0.05°C/count)-2.5)×30µV/count)=0.6kΩ。由于R1小于RB的一半,這一結果是有效的。在該例中,R1的增加使VB下降12%。在選擇轉換器時,可以將17.35位的分辨率要求向上舍入為18位。增加的分辨率用于補償VB降低的影響綽綽有余。
溫度上升時,電橋電阻的上升使電橋上的電壓降也上升。這種VB隨溫度的變化形成了一個附加的TCS項。正好該值為正值,而傳感器的固有TCS值是負數,這樣,將一個電阻與傳感器串聯實際會減小未經補償的TCS誤差。上面的校準技術仍然有效。只是需要補償的誤差略小了一些。
電流驅動
有一類特殊的壓阻式傳感器被稱為恒流傳感器或電流驅動傳感器。這些傳感器經過特殊處理,當它們采用電流源驅動時,靈敏度在溫度變化時保持恒定(TCS≈0)。電流驅動傳感器經常增加附加電阻,可以消除或者顯著降低偏移誤差和OTC誤差。這實際上是一種模擬的傳感器校準技術。這可以將設計者從繁雜的工作中解放出來,不必對每個傳感器在不同溫度和壓力下進行測量。這種傳感器在寬溫范圍內的絕對精度通常不如數字校準的傳感器好。數字技術仍然能用于改善這些傳感器的性能,通過測量電橋上的電壓很容易獲得溫度信息,其靈敏度通常大于2000ppm/°C。圖4所示是一種電流驅動的電橋電路。該電路使用同一個電壓基準源來建立恒定電流和為ADC提供基準電壓。


圖4.該電路使用了一個電流驅動傳感器,采用傳統的電流源電路驅動
省去電流源
理解了電流驅動式傳感器如何對STC進行補償,就可以采用圖5電路在不帶電流源的情況下達到與圖4電路相同的效果。電流驅動傳感器仍具有一個激勵電壓(VB),只是VB并不固定于電源電壓。VB由電橋阻抗和流過電橋的電流來決定。如前所述,硅電阻具有正溫度系數。這樣,當電橋由電流源供電時,VB將隨溫度的升高而增加。如果電橋的TCR(阻抗溫度系數)與TCS幅值相等而符號相反,那么,VB將隨著溫度以適當的比率增加,對靈敏度的降低進行補償。在某個有限的溫度范圍內,TCS將接近零。


圖5.此電路采用電流驅動傳感器,但無需電流源和電壓參考
從7出發,將其中的VB用IB×RB來代換,即可得到圖4電路中的ADC輸出方程??傻玫焦?,其中,RB是電橋的輸入電阻,IB是流經電橋的電流。
D=(IB×RB/VREF)׃(p,t)×FS×K(式9)
圖5電路能夠提供與圖4電路相同的性能,而不需要電流源或電壓參考。這可以通過比較兩個電路的輸出來說明。圖5中的ADC輸出可由式7出發得到,將其中的VB和VREF替代為相應的表達式即可。結果如式10:
重復式7:D=(VB/VREF)×f(p,t)×FS×K
對于圖5電路:VB=VDD×RB/(R1+RB)
和VREF=VDD×R1/(R1+RB)
將它們代入等式7可得到式10:
D=(RB/R1)׃(p,t)×FS×K(式10)
如果選擇R1等于VREF/IB,那么式9和式10是完全相同的,這就表明,圖5電路也會得出和圖4電路相同的結果。為了得到相同的結果,R1必須等于VREF/IB,但這不是溫度補償所要求的。只要RB乘以一個溫度無關的常數,就可以實現溫度補償。R1可選擇最適合于系統要求的電阻值。
當使用圖5電路時,要記住ADC的參考電壓隨溫度變化。這使得ADC不適合用來監測其它系統電壓。事實上,如果需要進行溫度敏感測量來實現額外的補償,可以使用一個額外的ADC通道來測量供電電壓。還有,在使用圖5電路時,必須注意要確保VREF位于ADC的規定范圍之內。
結論
硅壓阻式應變計比較高的輸出幅度使其可以直接和低成本、高分辨率Σ-ΔADC接口。這樣避免了放大和電平移位電路帶來的成本和誤差。另外,這種應變計的熱特性和ADC的比例特性可被用來顯著降低高精度電路的復雜程度。
烜芯微專業制造二極管,三極管,MOS管,橋堆等20年,工廠直銷省20%,4000家電路電器生產企業選用,專業的工程師幫您穩定好每一批產品,如果您有遇到什么需要幫助解決的,可以點擊右邊的工程師,或者點擊銷售經理給您精準的報價以及產品介紹
烜芯微專業制造二極管,三極管,MOS管,橋堆等20年,工廠直銷省20%,4000家電路電器生產企業選用,專業的工程師幫您穩定好每一批產品,如果您有遇到什么需要幫助解決的,可以點擊右邊的工程師,或者點擊銷售經理給您精準的報價以及產品介紹

