LM324系列器件帶有真差動輸入的四運算放大器
1.LM324 中文資料

與單電源應用場合的標準運算放大器相比,它們有一些顯著優點。該四放大器可以工作在低到 3.0 伏或者高到 32 伏的電源下,靜態電流為 MC1741 的靜態電流的五分之一。共模輸入范圍包括負電源,因而消除了在許多應用場合中采用外部偏置元件的必要性。
2.引腳圖及功能

3.工作原理

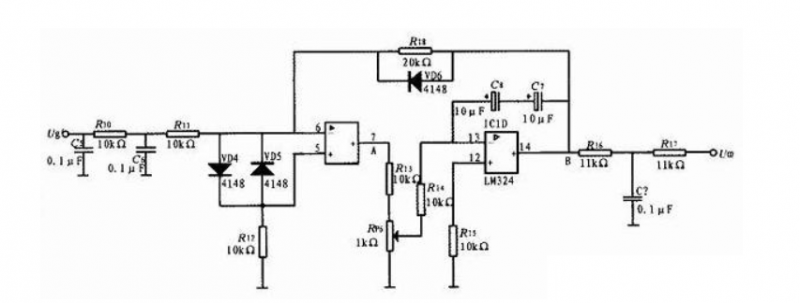
給定積分器電路由電壓比較電路 Ug'、C5 積分電路和反饋電路組成。給定電壓經濾波,再經過由 R10、R11、C6 組成的無源遲后校正網絡抗干擾后作用于由 IC1B、R11、Rp6 組成的緩沖器上,進行緩沖,調節 Rp6 可改變積分常數(積分時間),然后經由 IC1D、C7、C8 等原件組成的積分器輸出,最后再次經校正網絡輸出 C02 電壓。
當 Ug'≤0 時,UA=-15 V。由于二極管 VD6 的作用,U02=UUg'+0.7V,調節范圍為 -9.7~+9.7V。
當 Ug'≥0 時,UA=+15 V。由于反饋電阻 R18 的作用,U02=Ug',調節范圍為 -10~0V。
4.內部結構

5.作用和用途
對講機
電池管理解決方案
傳感器放大器
求和放大器
多諧振蕩器
振蕩器
直流增益模塊
比較器(環路控制和調節)
換能放大器
濾波電路,電壓跟隨器
積分器,微分器,求和器,加法器等
烜芯微專業制造二極管,三極管,MOS管,橋堆等20年,工廠直銷省20%,4000家電路電器生產企業選用,專業的工程師幫您穩定好每一批產品,如果您有遇到什么需要幫助解決的,可以點擊右邊的工程師,或者點擊銷售經理給您精準的報價以及產品介紹
烜芯微專業制造二極管,三極管,MOS管,橋堆等20年,工廠直銷省20%,4000家電路電器生產企業選用,專業的工程師幫您穩定好每一批產品,如果您有遇到什么需要幫助解決的,可以點擊右邊的工程師,或者點擊銷售經理給您精準的報價以及產品介紹

