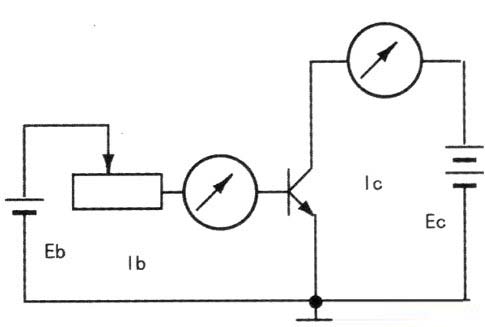
下圖是三極管電流放大原理圖,圖中有兩個電流回路Ib和IC。實驗中當我們把Ib回路斷路即Ib=0,此時雖然lc回路沒有改動,但Ic回路的電流立即為O(我們可以認為c、e間電阻變大)。當我們接通Ib回路并讓Ib回路的電流有一個較小的增加時,Ic回路的電流將有較大幅度的增長(說明c、e間電阻變?。?,Ib對lc(也可以認為是c、e間的電阻)有明顯的控制作用,這就是電流放大的實質。

下圖為晶體管等效開關示意圖,當基極與發射極之間的電壓Ube大于或等于0.7V(對硅管而言)時,集電極和發射極之間表現的電阻極小,相當開關閉合接通。當基極與發射極之間的電壓Ube小于0.7V(對硅管而言)時,集電極和發射極之間表現的電阻極大,相當開關斷路。這就是晶體管的開關原理。

下圖是晶體管放大等效示意圖。當晶體管Ube輸入一個變化的電壓,比如在0.5~0.7V變化時,將引起Ib的變化使晶體管C、E間的電阻相當于圖7右側的電位器滑動端上移,使C、E電阻變小,電流隨之增大。這個等效電路可以幫助理解放大原理。

烜芯微專業制造二極管,三極管,MOS管,橋堆等,20年,工廠直銷省20%,1500家電路電器生產企業選用,專業的工程師幫您穩定好每一批產品,如果您有遇到什么需要幫助解決的,可以直接聯系上方的聯系號碼或加QQ,由我們的銷售經理給您精準的報價以及產品介紹

