功率放大器電路圖是本文主要講的內容,我們先來看看什么是功率放大器。功率放大器(英文名稱:power amplifier),簡稱“功放”,是指在給定失真率條件下,能產生最大功率輸出以驅動某一負載(例如揚聲器)的放大器。功率放大器在整個音響系統中起到了“組織、協調”的樞紐作用,在某種程度上主宰著整個系統能否提供良好的音質輸出。
功率放大器的基本組成
功率放大器通常由3部分組成:前置放大器、驅動放大器、末級功率放大器。
1、前置放大器起匹配作用,其輸入阻抗高(不小于10kΩ),可以將前面的信號大部分吸收過去,輸出阻抗低(幾十Ω以下),可以將信號大部分傳送出去。同時,它本身又是一種電流放大器,將輸入的電壓信號轉化成電流信號,并給予適當的放大。

2、 驅動放大器起橋梁作用,它將前置放大器送來的電流信號作進一步放大,將其放大成中等功率的信號驅動末級功率放大器正常工作。如果沒有驅動放大器,末級功率放大器不可能送出大功率的聲音信號。
3、末級功率放大器起關鍵作用。它將驅動放大器送來的電流信號形成大功率信號,帶動揚聲器發聲,它的技術指標決定了整個功率放大器的技術指標。
功率放大器工作原理
功率放大器電路圖,功率放大器工作原理解析。利用三極管的電流控制作用或場效應管的電壓控制作用將電源的功率轉換為按照輸入信號變化的電流。因為聲音是不同振幅和不同頻率的波,即交流信號電流,三極管的集電極電流在放大區中恒為基極電流的β倍,β是三極管的電流放大系數,應用這一點,若將小信號注入基極,則集電極流過的電流會等于基極電流的β倍,然后將這個信號用隔直電容隔離出來,就得到了電流(或電壓)是原先的β倍的大信號,這現象成為三極管的放大作用。經過不斷的電流放大,就完成了功率放大。
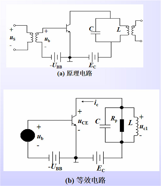
高頻功率放大器的基本電路結構圖

功率放大器電路圖
下面我們介紹幾種常見的放大電路:
低頻電壓放大器
低頻電壓放大器是指工作頻率在 20 赫~ 20 千赫之間、輸出要求有一定電壓值而不要求很強的電流的放大器。
(1)共發射極放大電路
圖1(a)是共發射極放大電路。C1是輸入電容,C2是輸出電容,三極管VT就是起放大作用的器件, RB 是基極偏置電阻 ,RC 是集電極負載電阻。1、3端是輸入,2 、3 端是輸出。3 端是公共點,通常是接地的,也稱“地”端。靜態時的直流通路見圖1(b),動態時交流通路見圖1(c)。電路的特點是電壓放大倍數從十幾到一百多,輸出電壓的相位和輸入電壓是相反的,性能不夠穩定,可用于一般場合。

(2)分壓式偏置共發射極放大電路
圖2比圖1多用3個元件?;鶚O電壓是由RB1和RB2分壓取得的,所以稱為分壓偏置。發射極中增加電阻 RE 和電容 CE ,CE 稱交流旁路電容,對交流是短路的; RE 則有直流負反饋作用。所謂反饋是指把輸出的變化通過某種方式送到輸入端,作為輸入的一部分。如果送回部分和原來的輸入部分是相減的,就是負反饋。圖中基極真正的輸入電壓是 RB2 上電壓和 RE 上電壓的差值,所以是負反饋。由于采取了上面兩個措施,使電路工作穩定性能提高,是應用最廣的放大電路。

(3)射極輸出器
圖3(a)是一個射極輸出器。它的輸出電壓是從射極輸出的。圖3(b)是它的交流通路圖,可以看到它是共集電極放大電路。

這個圖中,晶體管真正的輸入是Vi和Vo的差值,所以這是一個交流負反饋很深的電路。由于很深的負反饋,這個電路的特點是:電壓放大倍數小于 1 而接近 1 ,輸出電壓和輸入電壓同相,輸入阻抗高輸出阻抗低,失真小,頻帶寬,工作穩定。它經常被用作放大器的輸入級、輸出級或作阻抗匹配之用。
(4)低頻放大器的耦合
一個放大器通常有好幾級,級與級之間的聯系就稱為耦合。放大器的級間耦合方式有三種: ①RC 耦合,見圖4(a)。優點是簡單、成本低。但性能不是最佳。 ② 變壓器耦合,見圖 4 (b)。優點是阻抗匹配好、輸出功率和效率高,但變壓器制作比較麻煩。 ③ 直接耦合,見圖4(c)。優點是頻帶寬,可作直流放大器使用,但前后級工作有牽制,穩定性差,設計制作較麻煩。
功率放大器

能把輸入信號放大并向負載提供足夠大的功率的放大器叫功率放大器。例如收音機的末級放大器就是功率放大器。
(1)甲類單管功率放大器

圖 5 是單管功率放大器,C1是輸入電容,T是輸出變壓器。它的集電極負載電阻 Ri′ 是將負載電阻 R L 通過變壓器匝數比折算過來的:
RC′=( N1 N2 )2RL=N2RL
負載電阻是低阻抗的揚聲器,用變壓器可以起阻抗變換作用,使負載得到較大的功率。
這個電路不管有沒有輸入信號,晶體管始終處于導通狀,靜態電流比較大,困此集電極損耗較大,效率不高,大約只有 35 %。這種工作狀態被稱為甲類工作狀態。這種電路一般用在功率不太大的場合,它的輸入方式可以是變壓器耦合也可以是 RC 耦合。
(2)乙類推挽功率放大器
圖6是常用的乙類推挽功率放大電路。它由兩個特性相同的晶體管組成對稱電路,在沒有輸入信號時,每個管子都處于截止狀態,靜態電流幾乎是零,只有在有信號輸入時管子才導通,這種狀態稱為乙類工作狀態。當輸入信號是正弦波時,正半周時 VT1 導通 VT2 截止,負半周時 VT2 導通 VT1 截止。兩個管子交替出現的電流在輸出變壓器中合成,使負載上得到純正的正弦波。這種兩管交替工作的形式叫做推挽電路。

乙類推挽放大器的輸出功率較大,失真也小,效率也較高,一般可達 60 %。
( 3 ) OTL 功率放大器
目前廣泛應用的無變壓器乙類推挽放大器,簡稱 OTL 電路,是一種性能很好的功率放大器。為了易于說明,先介紹一個有輸入變壓器沒有輸出變壓器的 OTL 電路,如圖7。

這個電路使用兩個特性相同的晶體管,兩組偏置電阻和發射極電阻的阻值也相同。在靜態時, VT1 、 VT2 流過的電流很小,電容 C 上充有對地為 1 2 E c 的直流電壓。在有輸入信號時,正半周時 VT1 導通, VT2 截止,集電極電流 i c1 方向如圖所示,負載 RL 上得到放大了的正半周輸出信號。負半周時 VT1 截止, VT2 導通,集電極電流 i c2 的方向如圖所示, RL 上得到放大了的負半周輸出信號。這個電路的關鍵元件是電容器 C ,它上面的電壓就相當于 VT2 的供電電壓。
以這個電路為基礎,還有用三極管倒相的不用輸入變壓器的真正 OTL 電路,用 PNP 管和 NPN 管組成的互補對稱式 OTL 電路,以及最新的橋接推挽功率放大器,簡稱 BTL 電路等等。
烜芯微專業制造二極管,三極管,MOS管,橋堆等20年,工廠直銷省20%,1500家電路電器生產企業選用,專業的工程師幫您穩定好每一批產品,如果您有遇到什么需要幫助解決的,可以點擊右邊的工程師,或者點擊銷售經理給您精準的報價以及產品介紹
烜芯微專業制造二極管,三極管,MOS管,橋堆等20年,工廠直銷省20%,1500家電路電器生產企業選用,專業的工程師幫您穩定好每一批產品,如果您有遇到什么需要幫助解決的,可以點擊右邊的工程師,或者點擊銷售經理給您精準的報價以及產品介紹

