開關電源簡介
開關電源原理圖詳解,開關電源又稱交換式電源、開關變換器,是一種高頻化電能轉換裝置,是電源供應器的一種。其功能是將一個位準的電壓,透過不同形式的架構轉換為用戶端所需求的電壓或電流。
開關電源的基本組成
1、主電路
沖擊電流限幅:限制接通電源瞬間輸入側的沖擊電流。
輸入濾波器:其作用是過濾電網存在的雜波及阻礙本機產生的雜波反饋回電網。
整流與濾波:將電網交流電源直接整流為較平滑的直流電。
逆變:將整流后的直流電變為高頻交流電,這是高頻開關電源的核心部分。
輸出整流與濾波:根據負載需要,提供穩定可靠的直流電源。
2、控制電路
一方面從輸出端取樣,與設定值進行比較,然后去控制逆變器,改變其脈寬或脈頻,使輸出穩定,另一方面,根據測試電路提供的數據,經保護電路鑒別,提供控制電路對電源進行各種保護措施。
3、測電路
提供保護電路中正在運行中各種參數和各種儀表數據。
4、輔助電源
實現電源的軟件(遠程)啟動,為保護電路和控制電路(PWM等芯片)工作供電。
開關電源原理圖詳解
(一)開關式穩壓電源的基本工作原理
開關式穩壓電源接控制方式分為調寬式和調頻式兩種,在實際的應用中,調寬式使用得較多,在目前開發和使用的開關電源集成電路中,絕大多數也為脈寬調制型(PWM)。因此下面就主要介紹調寬式開關穩壓電源。
調寬式開關穩壓電源的基本原理可參見下圖。

圖1 調寬式示意圖
對于單極性矩形脈沖來說,其直流平均電壓 Uo 取決于矩形脈沖的寬度,脈沖越寬,其直流平均電壓值就越高。直流平均電壓U??捎晒接嬎?,即
Uo=Um×T1/T
式中 Um 為矩形脈沖最大電壓值;T 為矩形脈沖周期;T1 為矩形脈沖寬度。從上式可以看出,當 Um 與 T 不變時,直流平均電壓 Uo 將與脈沖寬度 T1 成正比。這樣,只要我們設法使脈沖寬度隨穩壓電源輸出電壓的增高而變窄,就可以達到穩定電壓的目的。
開關式穩壓電源的原理電路-開關電源原理圖
1.基本電路

圖2 開關電源基本電路框圖
交流電壓經整流電路及濾波電路整流濾波后,變成含有一定脈動成份的直流電壓,該電壓進人高頻變換器被轉換成所需電壓值的方波,最后再將這個方波電壓經整流濾波變為所需要的直流電壓。
控制電路為一脈沖寬度調制器,它主要由取樣器、比較器、振蕩器、脈寬調制及基準電壓等電路構成。這部分電路目前已集成化,制成了各種開關電源用集成電路。控制電路用來調整高頻開關元件的開關時間比例,以達到穩定輸出電壓的目的。
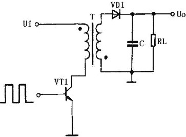
2、開關電源原理圖-單端反激式開關電源
單端反激式開關電源的典型電路如圖三所示。電路中所謂的單端是指高頻變換器的磁芯僅工作在磁滯回線的一側。所謂的反激,是指當開關管 VT1 導通時,高頻變壓器T初級繞組的感應電壓為上正下負,整流二極管 VD1 處于截止狀態,在初級繞組中儲存能量。
當開關管 VT1 截止時,變壓器T初級繞組中存儲的能量,通過次級繞組及 VD1 整流和電容C濾波后向負載輸出。

圖3 單端反激式開關電源
單端反激式開關電源是一種成本最低的電源電路,輸出功率為 20 - 100 W,可以同時輸出不同的電壓,且有較好的電壓調整率。唯一的缺點是輸出的紋波電壓較大,外特性差,適用于相對固定的負載。
單端反激式開關電源使用的開關管 VT1 承受的最大反向電壓是電路工作電壓值的兩倍,工作頻率在 20 - 200kHz 之間。
3、開關電源原理圖-單端正激式開關電源
單端正激式開關電源的典型電路如圖四所示。這種電路在形式上與單端反激式電路相似,但工作情形不同。當開關管 VT1 導通時, VD2 也導通,這時電網向負載傳送能量,濾波電感L儲存能量;當開關管 VT1 截止時,電感L通過續流二極管 VD3 繼續向負載釋放能量。

圖4 單端正激式開關電源
在電路中還設有鉗位線圈與二極管 VD2 ,它可以將開關管 VT1 的最高電壓限制在兩倍電源電壓之間。為滿足磁芯復位條件,即磁通建立和復位時間應相等,所以電路中脈沖的占空比不能大于50%。由于這種電路在開關管 VT1 導通時,通過變壓器向負載傳送能量,所以輸出功率范圍大,可輸出 50 - 200 W的功率。電路使用的變壓器結構復雜,體積也較大,正因為這個原因,這種電路的實際應用較少。
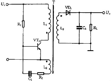
4、開關電源原理圖-自激式開關穩壓電源
自激式開關穩壓電源的典型電路如圖五所示。這是一種利用間歇振蕩電路組成的開關電源,也是目前廣泛使用的基本電源之一。

圖5 自激式開關穩壓電源
當接入電源后在 R1 給開關管 VT1 提供啟動電流,使 VT1 開始導通,其集電極電流 Ic 在 L1 中線性增長,在 L2 中感應出使 VT1 基極為正,發射極為負的正反饋電壓,使 VT1 很快飽和。
與此同時,感應電壓給 C1 充電,隨著 C1 充電電壓的增高, VT1 基極電位逐漸變低,致使 VT1 退出飽和區, Ic 開始減小,在 L2 中感應出使 VT1 基極為負、發射極為正的電壓,使 VT1 迅速截止,這時二極管 VD1 導通,高頻變壓器T初級繞組中的儲能釋放給負載。在 VT1 截止時, L2 中沒有感應電壓,直流供電輸人電壓又經 R1 給 C1 反向充電,逐漸提高 VT1 基極電位,使其重新導通,再次翻轉達到飽和狀態,電路就這樣重復振蕩下去。
這里就像單端反激式開關電源那樣,由變壓器T的次級繞組向負載輸出所需要的電壓。自激式開關電源中的開關管起著開關及振蕩的雙重作從,也省去了控制電路。電路中由于負載位于變壓器的次級且工作在反激狀態,具有輸人和輸出相互隔離的優點。這種電路不僅適用于大功率電源,亦適用于小功率電源。
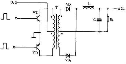
5、開關電源原理圖-推挽式開關電源
推挽式開關電源的典型電路如圖六所示。它屬于雙端式變換電路,高頻變壓器的磁芯工作在磁滯回線的兩側。電路使用兩個開關管 VT1 和 VT2 ,兩個開關管在外激勵方波信號的控制下交替的導通與截止,在變壓器T次級統組得到方波電壓,經整流濾波變為所需要的直流電壓。

圖6 推挽式開關電源
這種電路的優點是兩個開關管容易驅動,主要缺點是開關管的耐壓要達到兩倍電路峰值電壓。電路的輸出功率較大,一般在 100-500W范圍內。
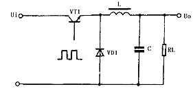
6、開關電源原理圖-降壓式開關電源
降壓式開關電源的典型電路如圖七所示。當開關管 VT1 導通時,二極管 VD1 截止,輸人的整流電壓經 VT1 和 L 向C充電,這一電流使電感L中的儲能增加。當開關管 VT1 截止時,電感L感應出左負右正的電壓,經負載 RL 和續流二極管 VD1 釋放電感L中存儲的能量,維持輸出直流電壓不變。電路輸出直流電壓的高低由加在 VT1 基極上的脈沖寬度確定。

圖7 降壓式開關電源
這種電路使用元件少,它同下面介紹的另外兩種電路一樣,只需要利用電感、電容和二極管即可實現。
7、開關電源原理圖-升壓式開關電源
升壓式開關電源的穩壓電路如圖八所示。當開關管 VT1 導通時,電感L儲存能量。當開關管 VT1 截止時,電感L感應出左負右正的電壓,該電壓疊加在輸人電壓上,經二極管 VD1 向負載供電,使輸出電壓大于輸人電壓,形成升壓式開關電源。

圖8 升壓式開關電源
8、開關電源原理圖-反轉式開關電源
反轉式開關電源的典型電路如圖九所示。這種電路又稱為升降壓式開關電源。無論開關管 VT1 之前的脈動直流電壓高于或低于輸出端的穩定電壓,電路均能正常工作。

圖9 反轉式開關電源
當開關管VT1導通時,電感L儲存能量,二極管VD1截止,負載RL靠電容C上次的充電電荷供電。當開關管VT1截止時,電感L中的電流繼續流通,并感應出上負下正的電壓,經二極管 VD1向負載供電,同時給電容C充電。
開關電源發展方向分析
開關電源高頻化是其發展的方向,高頻化使開關電源小型化,并使開關電源進入更廣泛的應用領域,特別是在高新技術領域的應用,推動了開關電源的發展前進,每年以超過兩位數字的增長率向著輕、小、薄、低噪聲、高可靠、抗干擾的方向發展。
開關電源可分為AC/DC和DC/DC兩大類,DC/DC變換器現已實現模塊化,且設計技術及生產工藝在國內外均已成熟和標準化,并已得到用戶的認可,但AC/DC的模塊化,因其自身的特性使得在模塊化的進程中,遇到較為復雜的技術和工藝制造問題。
另外,開關電源的發展與應用在節約能源、節約資源及保護環境方面都具有重要的意義。開關電源中應用的電力電子器件主要為二極管、IGBT和MOSFET、變壓器。
烜芯微專業制造二極管,三極管,MOS管,20年,工廠直銷省20%,1500家電路電器生產企業選用,專業的工程師幫您穩定好每一批產品,如果您有遇到什么需要幫助解決的,可以點擊右邊的工程師,或者點擊銷售經理給您精準的報價以及產品介紹
烜芯微專業制造二極管,三極管,MOS管,20年,工廠直銷省20%,1500家電路電器生產企業選用,專業的工程師幫您穩定好每一批產品,如果您有遇到什么需要幫助解決的,可以點擊右邊的工程師,或者點擊銷售經理給您精準的報價以及產品介紹

